機械軍工行業工程設計資質標準(2022年新版)


標 準
(一)工程設計綜合資質
資信能力
(1)具有獨立企業法人資格。
(2)凈資產6000萬元以上。
(3)具有1個以上行業甲級資質。
(4)近3年上繳工程勘察設計增值稅每年1500萬元以上。
主要人員
(1)主要技術負責人應當具有大學本科以上學歷、注冊執業資格或者高級專業技術職稱、15年以上工程設計經歷,且在近10年作為項目負責人主持過大型項目工程設計2項以上。
(2)具有一級注冊建筑師、勘察設計注冊工程師執業資格(二級注冊結構工程師除外),或者勘察設計類工程系列高級專業技術職稱的人員150人以上,其中具有一級注冊建筑師、勘察設計注冊工程師(二級注冊結構工程師除外)執業資格的人員30人以上。
工程業績
近10年獨立完成過大型項目工程設計6項以上,且已建成投產。
科技水平
(1)擁有與工程設計有關的專利3項以上;或者近10年使用正向建筑信息模型(BIM)或者數字化工廠(DF)技術完成從方案設計到施工圖設計的中型以上項目工程設計3項以上,且已建成投產。
(2)近3年科技活動經費支出每年達到營業收入的3%以上。
(3)近10年主編過2項或者參編過5項以上工程勘察設計類國家、行業工程建設標準、規范。
(二)工程設計行業資質
工程設計行業甲級
資信能力
(1)具有獨立企業法人資格,或者是依照《中華人民共和國合伙企業法》成立的普通合伙企業。
(2)凈資產600萬元以上,或者合伙企業出資額600萬元以上。
(3)近3年上繳工程勘察設計增值稅每年200萬元以上。
主要人員
(1)主要技術負責人應當具有大學本科以上學歷、注冊執業資格或者高級專業技術職稱、10年以上工程設計經歷,且在近10年作為項目負責人主持過所申請行業大型項目工程設計2項以上。
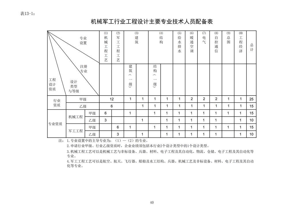
(2)主要專業技術人員數量滿足所申請行業資質標準中主要專業技術人員配備表規定的要求。
(3)在主要專業技術人員配備表規定的人員中,主導專業的注冊人員、非注冊人員應當在近10年作為專業技術負責人或者項目負責人主持過所申請行業中型以上項目工程設計3項以上。除申請民航行業甲級資質外,其中每個主導專業應有1名專業技術人員在近10年作為專業技術負責人或者項目負責人主持過所申請行業大型項目工程設計2項以上。
工程業績
近10年獨立完成過的工程設計項目應當滿足相應工程設計類型考核要求,且每個設計類型的業績應為大型項目工程設計1項以上或者中型項目工程設計2項以上,并已建成投產。
工程設計行業乙級
資信能力
(1)具有獨立企業法人資格,或者是依照《中華人民共和國合伙企業法》成立的普通合伙企業。
(2)凈資產300萬元以上,或者合伙企業出資額300萬元以上。
(3)近3年上繳工程勘察設計增值稅每年50萬元以上。
主要人員
(1)主要技術負責人應當具有大學本科以上學歷、注冊執業資格或者高級專業技術職稱、10年以上工程設計經歷,且在近10年作為項目負責人主持過所申請行業中型以上項目工程設計3項以上。
(2)主要專業技術人員數量滿足所申請行業資質標準中主要專業技術人員配備表規定的要求。
(3)在主要專業技術人員配備表規定的人員中,主導專業的注冊人員、非注冊人員應當在近10年作為專業技術負責人或者項目負責人主持過所申請行業中型以上項目工程設計2項以上。
工程業績
除申請民航行業乙級資質外,近10年獨立完成過的工程設計項目應滿足相應工程設計類型考核要求,且每個設計類型的業績應為中型以上項目工程設計1項以上,并已建成投產。
(三)工程設計專業資質
工程設計專業甲級
資信能力
(1)具有獨立企業法人資格,或者是依照《中華人民共和國合伙企業法》成立的普通合伙企業。
(2)凈資產300萬元以上,或者合伙企業出資額300萬元以上。
(3)近3年上繳工程勘察設計增值稅每年50萬元以上。
主要人員
(1)主要技術負責人應當具有大學本科以上學歷、注冊執業資格或者高級專業技術職稱、10年以上工程設計經歷,且在近10年作為項目負責人主持過所申請專業大型項目工程設計2項以上。
(2)主要專業技術人員數量滿足所申請專業資質標準中主要專業技術人員配備表規定的要求。
(3)在主要專業技術人員配備表規定的人員中,主導專業的注冊人員、非注冊人員應當在近10年作為專業技術負責人或者項目負責人主持過所申請專業中型以上項目工程設計3項以上,其中,每個主導專業應有1名專業技術人員在近10年作為專業技術負責人主持過所申請專業大型項目工程設計2項以上。
工程業績
近10年獨立完成過的所申請專業中型以上項目工程設計2項以上,并已建成投產。
工程設計專業乙級
資信能力
(1)具有獨立企業法人資格,或者是依照《中華人民共和國合伙企業法》成立的普通合伙企業。
(2)凈資產100萬元以上,或者合伙企業出資額100萬元以上。
主要人員
(1)主要技術負責人應當具有大學本科以上學歷、注冊執業資格或者中級專業技術職稱、10年以上工程設計經歷,在近10年作為項目負責人主持過所申請專業工程設計3項以上。
(2)主要專業技術人員數量滿足所申請專業資質標準中主要專業技術人員配備表規定的要求。
(3)在主要專業技術人員配備表規定的人員中,主導專業的注冊人員、非注冊人員應當在近10年作為專業技術負責人或者項目負責人主持過所申請專業項目工程設計2項以上。




